Bussning reglage Tohatsu
Flera nya Tohatsureglage
Lägg till en bevakning så meddelar vi dig så snart varan är i lager igen.
Bussning reglage Tohatsu
Flera nya Tohatsureglage
Bussning reglage, gashandtag, flera nya Tohatsureglage
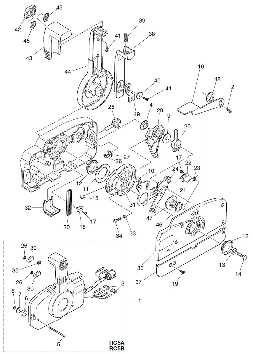
Nr 4 i bild
Se sprängskiss för rätt del
Samma som Mercury art 802963
Fri frakt över 2000kr
30 dagars öppet köp
Snabba leveranser
