Bussning rorkult Mercury
Bussning rorkult Mercury
Lägg till en bevakning så meddelar vi dig så snart varan är i lager igen.
Bussning rorkult Mercury
Bussning rorkult Mercury
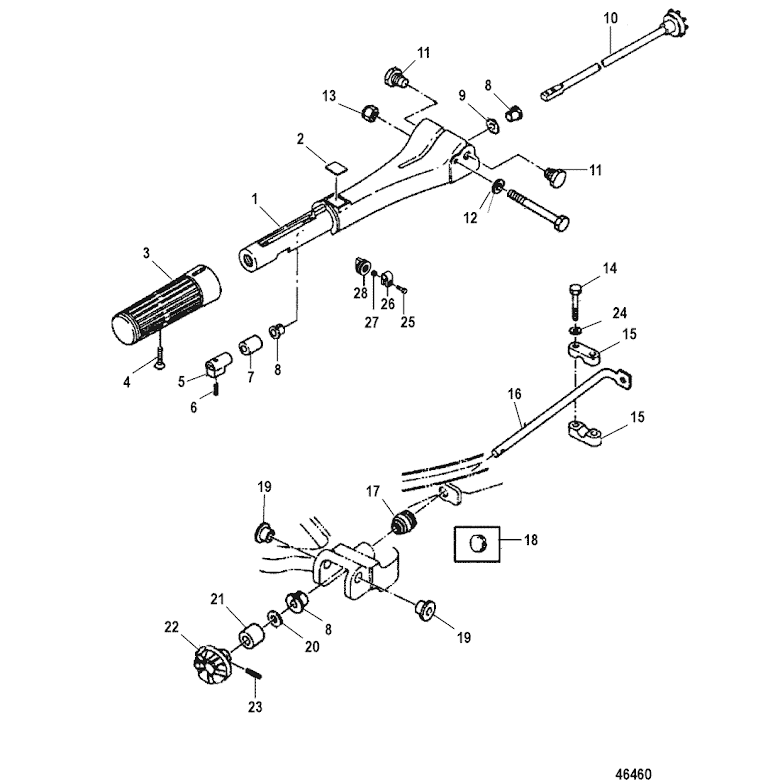
Bussning rorkult Mercury 9,9 - 18 hk, 2-takt 247 cc, samt 25 - 30 hk, 430 cc 2-takt design 2, dvs nyare motorer
Nr 8 i bild
Samma som Tohatsu art
Se sprängskiss för rätt del.
Fri frakt över 2000kr
30 dagars öppet köp
Snabba leveranser
