Bussning rigg Mercury
Lägg till en bevakning så meddelar vi dig så snart varan är i lager igen.
Bussning rigg Mercury
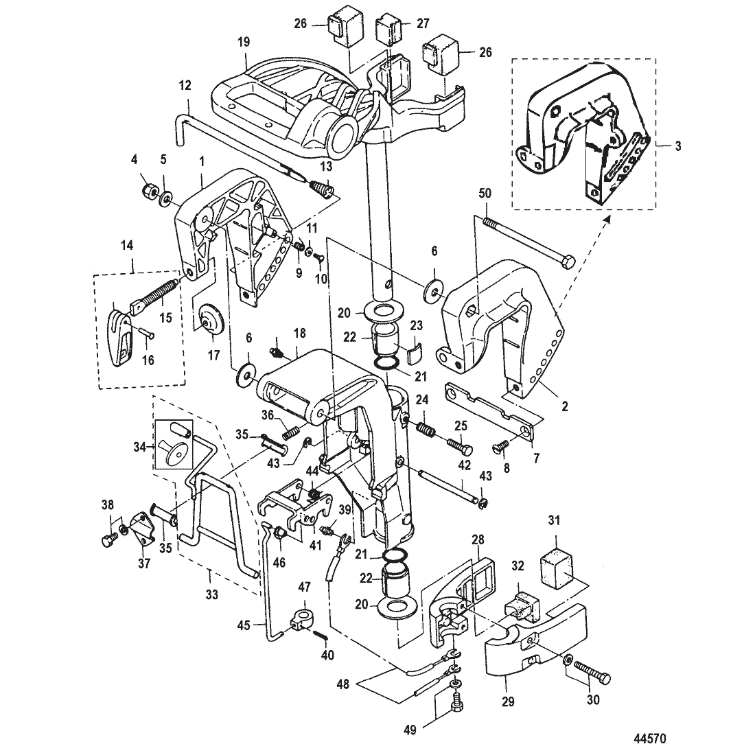
Bussning rigg Mercury 4 - 9,8 hk, 2-takt samt F 4 - F 6 hk, 4-takt Tohatsumodeller
Nr 35 i bild 2
2 åtgår per motor, se sprängskiss för rätt del
Samma som Tohatsu art 393-62437-1
Fri frakt över 2000kr
30 dagars öppet köp
Snabba leveranser
