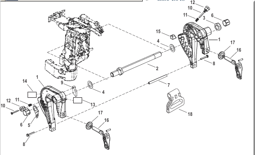
Bult tilt Mercury
Lägg till en bevakning så meddelar vi dig så snart varan är i lager igen.
Bult tilt Mercury
Bult för knopp, tilt Mercury F 8 - F 9,9 hk, 4-takt 209 cc Tohatsumodell
Nr 10 i bild 2, sitter på fler ställen enl. bild
Se sprängskiss för rätt del och antal, säljes styckvis
Samma som Tohatsu art 921503-0535
Fri frakt över 2000kr
30 dagars öppet köp
Snabba leveranser
