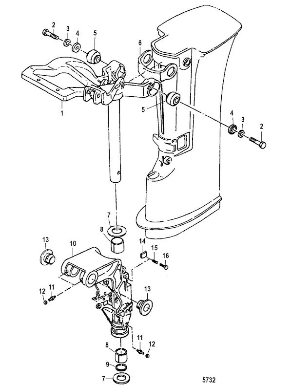
Bult Mercury
Lägg till en bevakning så meddelar vi dig så snart varan är i lager igen.
Bult Mercury
Bult Mercury 9,9 - 18 hk, 2-takt 247 cc Tohatsumodell
Låser övre motorbussning
Samma som Tohatsu art 398-61307-0
Se sprängskiss för rätt del och antal
Nr 2 i bild 2
M 10 x 45 spec
Fri frakt över 2000kr
30 dagars öppet köp
Snabba leveranser
