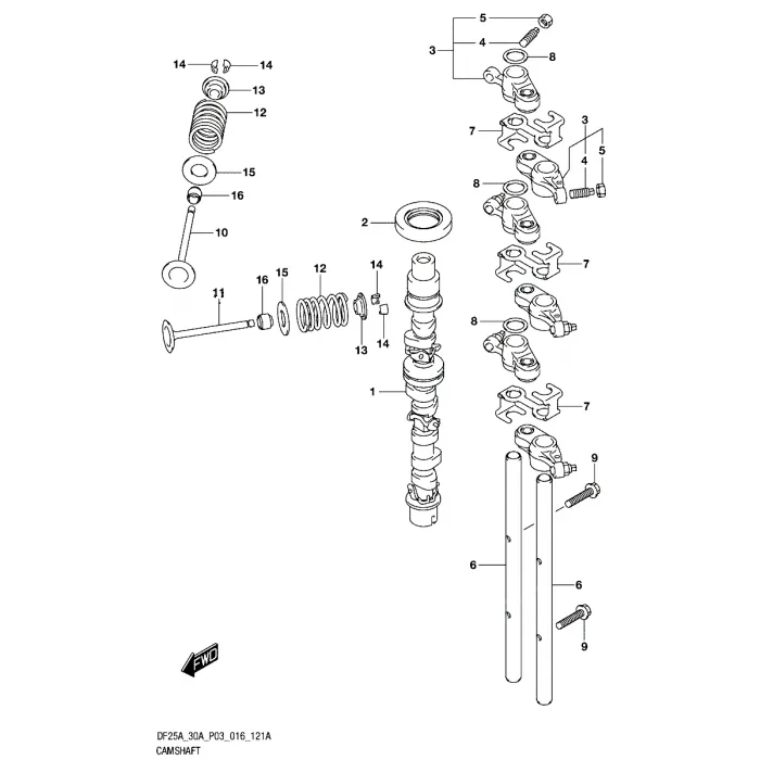
Reservdelar Motordelar Suzuki Bricka kamvippor Suzuki Lägg till en bevakning så meddelar vi dig så snart varan är i lager igen. Produkten är nu bevakad Vi meddelar dig så snart varan är i lager igen. E-postadress Lägg till bevakning Dina personuppgifter behandlas i enlighet med vår integritetspolicy. Bricka kamvippor Suzuki Bricka kamvippor Suzuki DF 25 A - DF 30 A, 4-takt Nr 8 i bild 2 Se sprängskiss för rätt del och antal Fri frakt över 2000kr 30 dagars öppet köp Snabba leveranser Reservdelar Motortillbehör Oljor Kampanjer Sprängskisser Motorinformation