Bricka Mercury
Flera modeller
Lägg till en bevakning så meddelar vi dig så snart varan är i lager igen.
Bricka Mercury
Flera modeller
Bricka Mercury, flera modeller
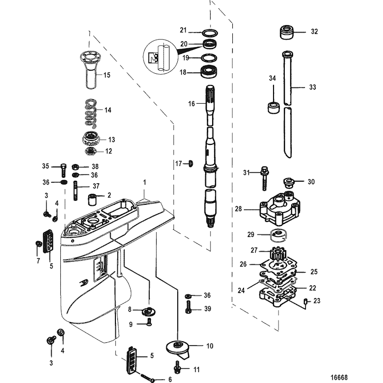
Se sprängskiss för rätt del och antal, säljes styckvis
Nr 36 i bild 2, som visar 25 hk, 2-takt, 430 cc
Ers art 853701
Samma som Tohatsu art 3P0-66233-0
Fri frakt över 2000kr
30 dagars öppet köp
Snabba leveranser
