Bricka Mercury
Lägg till en bevakning så meddelar vi dig så snart varan är i lager igen.
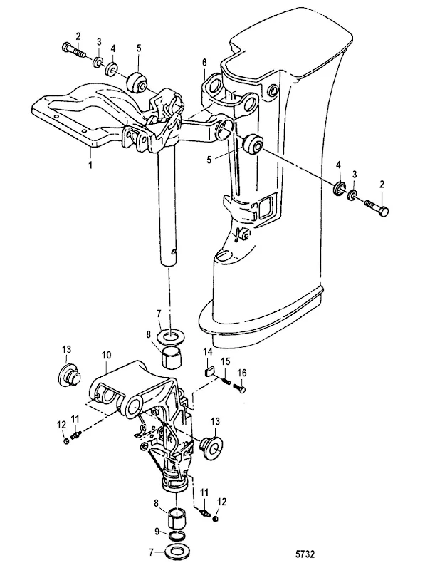
Bricka Mercury
Bricka special 9,9 - 18 hk, 2-takt 247 cc Tohatsumodell
Till bult övre motorbussning
Ers art 8538221, 853822003, 8M0056392
Samma som Tohatsu art 398-61308-2
Se sprängskiss för rätt del och antal
Nr 4 i bild 2
Fri frakt över 2000kr
30 dagars öppet köp
Snabba leveranser
