Bricka rigg Mercury
Lägg till en bevakning så meddelar vi dig så snart varan är i lager igen.
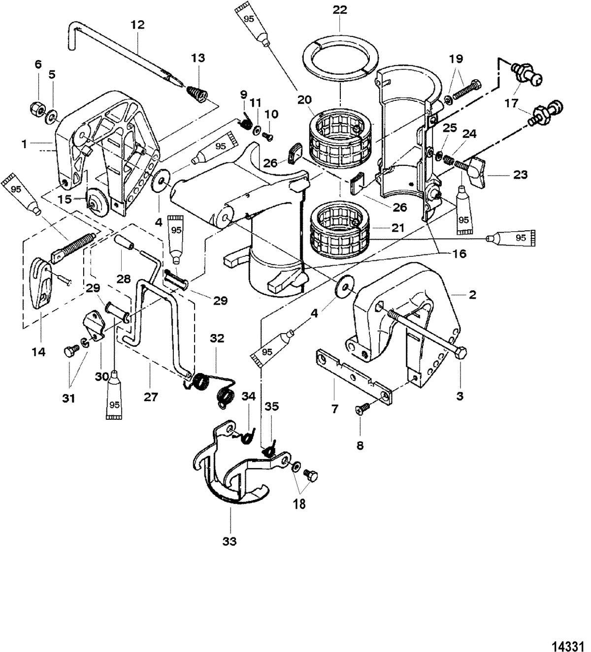
Bricka rigg Mercury
Bricka, rigg, Mercury 4 - 9,8 hk, 2-takt och 4-takt, förgasarmotorer, Tohatsumodeller
Nr 11 i bild
Samma som Tohatsu art 369-62147-0
Fri frakt över 2000kr
30 dagars öppet köp
Snabba leveranser
