Bränsleslang Mercury
Lägg till en bevakning så meddelar vi dig så snart varan är i lager igen.
Bränsleslang Mercury
Slang bränsle/avluftning/smörjning Mercury flera modeller
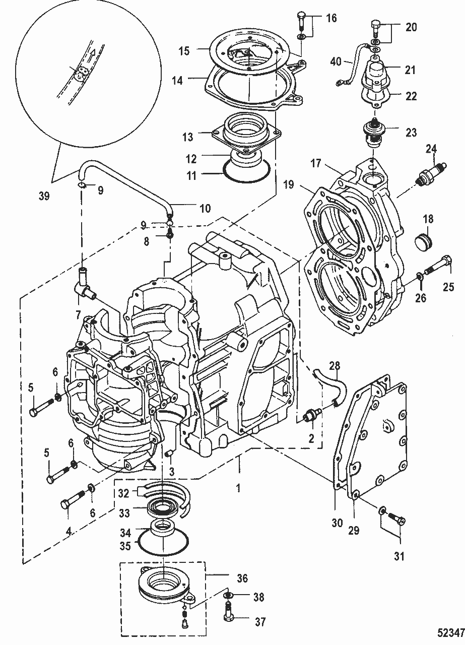
Nr 10 i bild, som visar 25 - 30 hk, 430 cc 2-takt. I denna ska backventil art 42657A3 sitta monterad och slang kapas till 23 cm
Samma som Tohatsu art , kapas i rätt längd 98AL-401000
Fri frakt över 2000kr
30 dagars öppet köp
Snabba leveranser
