Bladventilhus Mercury
Lägg till en bevakning så meddelar vi dig så snart varan är i lager igen.
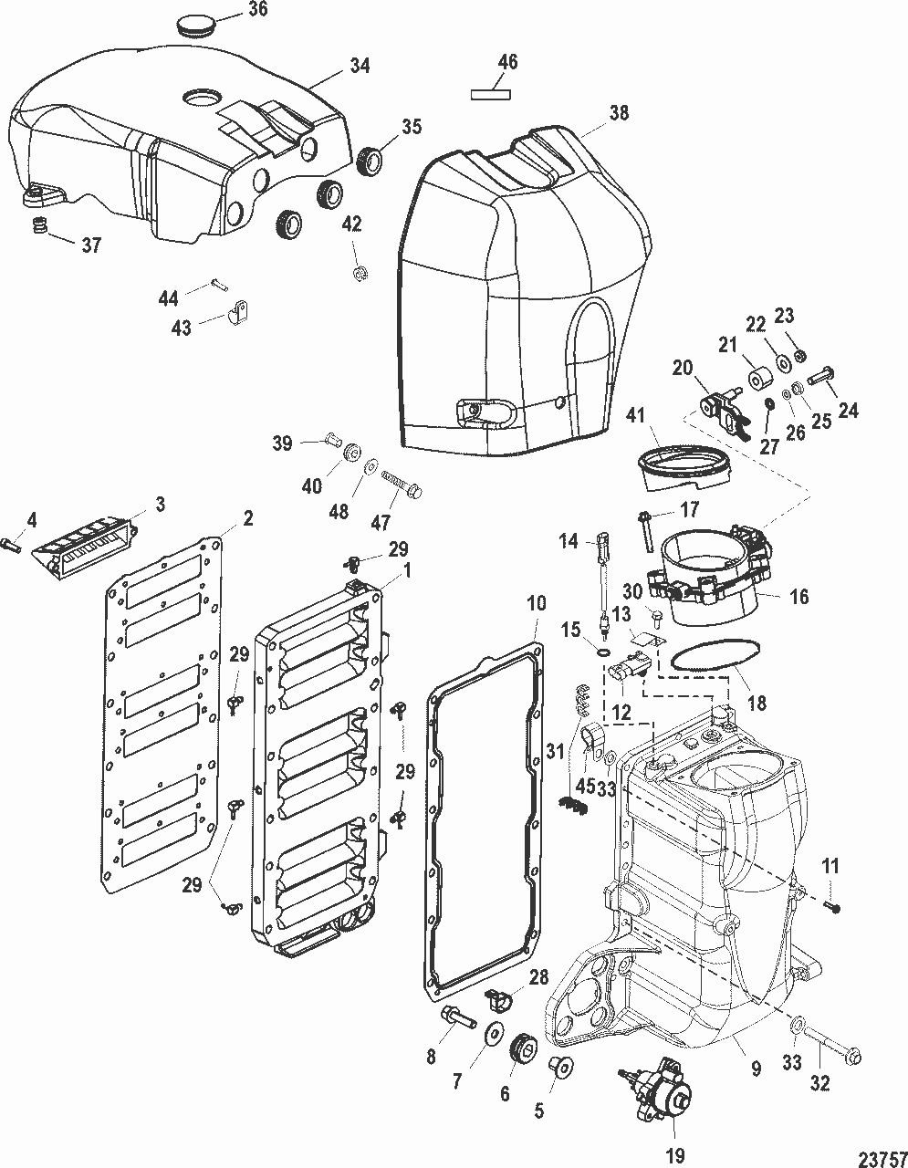
Bladventilhus Mercury
Bladventilhus, inkl bladventiler, Mercury Optimax/DFI V 6 flera modeller samt V 6, 2-takt flera modeller
Se sprängskiss för rätt del
Nr 3 i bild 2
Ers art 828623 och 828623T
Fri frakt över 2000kr
30 dagars öppet köp
Snabba leveranser
