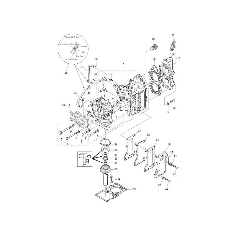
Reservdelar Motordelar Tohatsu Avgasplatta Tohatsu Lägg till en bevakning så meddelar vi dig så snart varan är i lager igen. Produkten är nu bevakad Vi meddelar dig så snart varan är i lager igen. E-postadress Lägg till bevakning Dina personuppgifter behandlas i enlighet med vår integritetspolicy. Avgasplatta Tohatsu Platta, inre, avgaskylning Tohatsu M 6 B - M 9,8 B, 2-takt Nr 20 i bild Fri frakt över 2000kr 30 dagars öppet köp Snabba leveranser Reservdelar Motortillbehör Oljor Kampanjer Sprängskisser Motorinformation