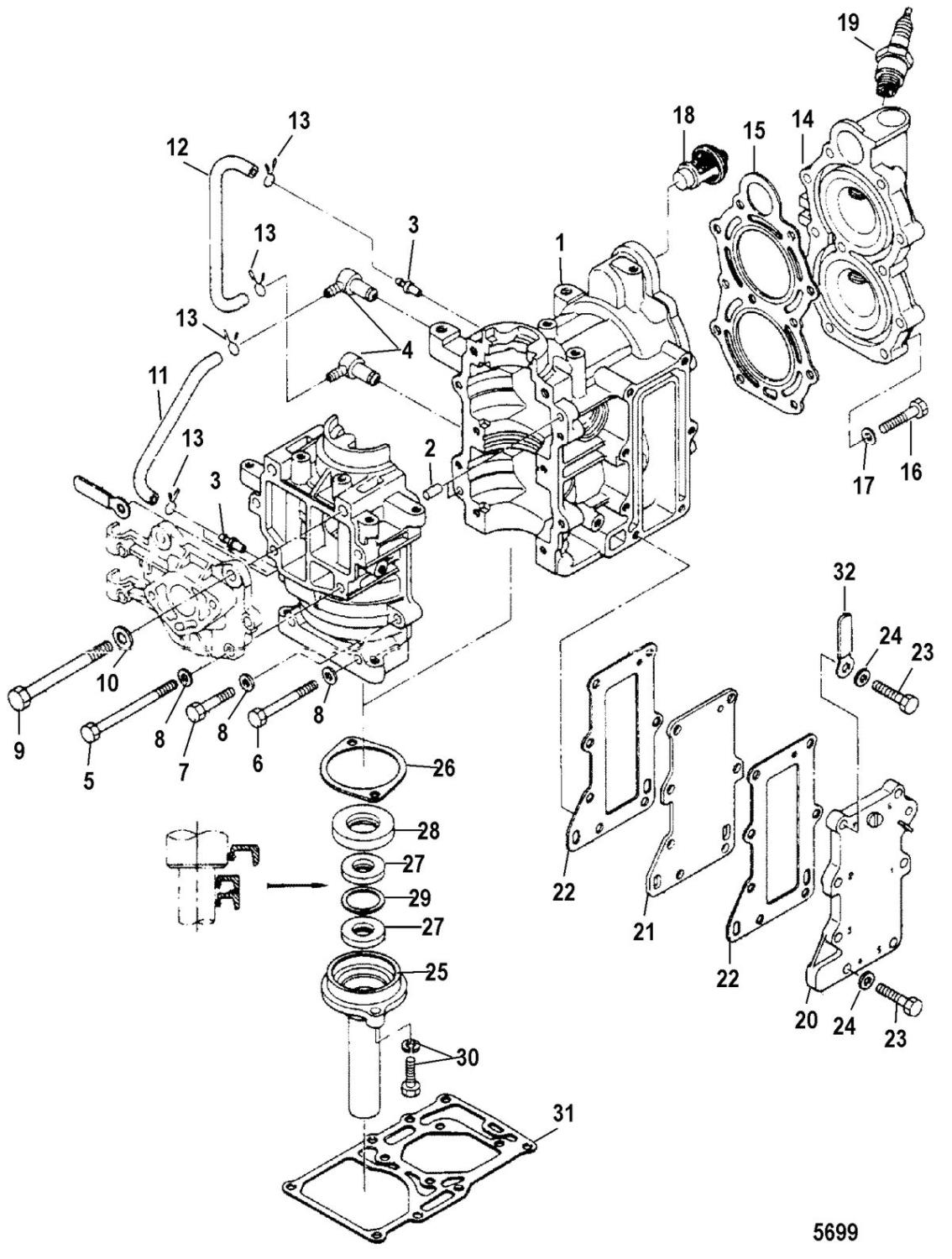
Reservdelar Motordelar Mercury Avgaslock Mercury Lägg till en bevakning så meddelar vi dig så snart varan är i lager igen. Produkten är nu bevakad Vi meddelar dig så snart varan är i lager igen. E-postadress Lägg till bevakning Dina personuppgifter behandlas i enlighet med vår integritetspolicy. Avgaslock Mercury Yttre avgaslock Mercury 6 - 9,8 hk, 169 cc 2-takt Nr 20 i bild 2 Samma som Tohatsu art 3B2B02300-0 (M 6 B - M 9,8 B) Fri frakt över 2000kr 30 dagars öppet köp Snabba leveranser Reservdelar Motortillbehör Oljor Kampanjer Sprängskisser Motorinformation