Stigarrör Mercury

1 2 3 4 5
(0/5) Bli först med att betygsätta.
Artnr: 8036922
Lagerstatus: I lager
Artikelnamn: Stigarrör Mercury
155,11 SEK

Beskrivning

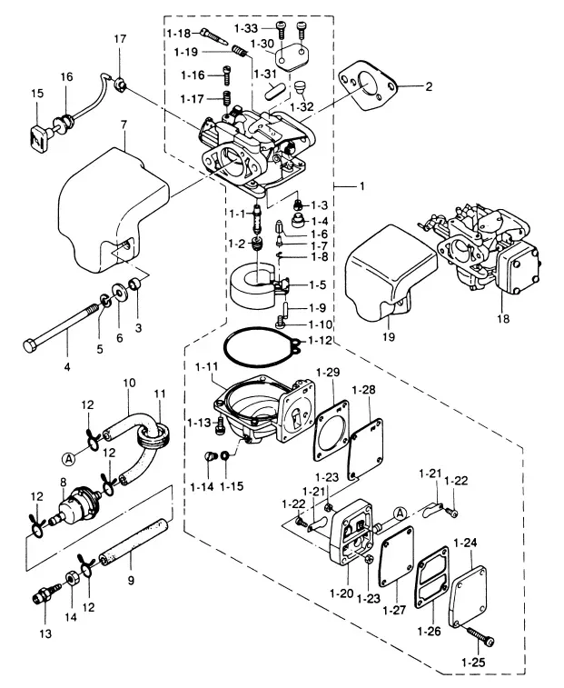
Stigarrör förgasare Mercury 8 hk, 2-takt 169 cc Tohatsumodell

Nr 1:1 i bild 2

Samma som Tohatsu art 3B2-03252-0

Specifikationer

Artnr: 8036922
Lagerstatus: I lager

Omdöme

Lämna ett omdöme
pLHr55
Kod från Captcha-bild:

Omdöme (0)

Dela

Blogga om

Dokument

Andra produkter från samma kategori
  • Lock förgasare Mercury F 15 - F 20 hk, 351 cc, 4-takt Nr 1-19 i bild  Samma...
    Art nr. 855540004
    184,30 SEK
  • Ventil, trycktest, Mercury F 25 EFI - F 30 EFI, 4-takt 526 cc Tohatsumodell ...
    Art nr. 898101212
    61,24 SEK
  • Skruv bränslepump Mercury F 8 - F 9,9 hk, 209 cc, 4-takt förgasare och EFI-mo...
    Art nr. 895107
    24,44 SEK
  • Bränslesil, filter, vapor Mercury F 30 EFI - F 60 EFI, 4-takt ej Tohatsumodel...
    Art nr. 892267534
    315,60 SEK