Hem » Reservdelar » Motordelar » Mercury » Kamlyftare Mercury

Kamlyftare Mercury

1 2 3 4 5
(0/5) Bli först med att betygsätta.
Artnr: 8M0123419
Lagerstatus: I lager
Artikelnamn: Kamvippa Mercury
165,04 SEK

Beskrivning

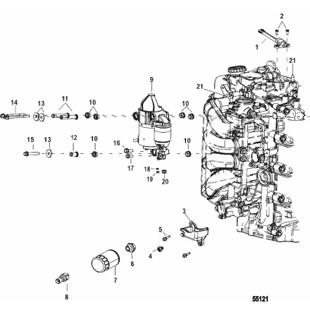
Kamvippa/rocker arm Mercury F 10 - F 20, 4-takt 351 cc samt F 25 - F 30, 4-takt 526 cc Tohatsumodeller

Nr 9 i bild. Ersätter Mercury art 898101153

Se sprängskiss för rätt del och antal

Samma som Tohatsu art 3AE-07935-1  (Tohatsu MFS 9,9 C + D - MFS 20 C + D samt MFS 25 B + C - MFS 30 B + C)

Specifikationer

Artnr: 8M0123419
Lagerstatus: I lager

Omdöme

Lämna ett omdöme
anvX
Kod från Captcha-bild:

Omdöme (0)

Dela

Blogga om

Dokument

Andra produkter från samma kategori
  • Bult Mercury flera modeller 4-takt Se sprängskiss för rätt del och antal Nr...
    Art nr. 853531001
    15,96 SEK
  • Adapter kylvatten Mercury Verado L 4 och L 6, 4-takt flera modeller Nr 18 i ...
    Art nr. 8M0214983
    62,93 SEK
  • Bladventilsats Mercury 6 - 9,8 hk, 2-takt 169 cc  Tohatsumodell Säljs enligt...
    Art nr. 803686T02
    695,20 SEK
  • Gummitätning Mercury flera modeller Se sprängskiss för rätt del och antal N...
    Art nr. 884546
    21,53 SEK